| Input voltage | AC 100-240 V 50/60Hz or DC 24V ± 10% |
| Input current (220 VAC) | 1 Fan: 250 mA 2 Fan: 500 mA 3 Fan: 750 mA |
| Power consumption | max. 123W (3 fan) |
| Emitter voltage | ±5,5kV (±5%) |
| Output frequency | 10-50Hz |
| Ion generating method | Corona discharge |
| Voltage application method | Pulsed AC |
| Material | Body: ABS / Emitter Pins: Tungsten |
| Emitter replacement | Replaceable |
| Ion balance | ≤ ±30V |
| Coverage distance | 200 – 1500 mm |
| Air volume | max. 6,425 m3/min(level 5) |
| Functions | Ion on/off, RS485 connect, Password PLC, Fan-Speed, Ion-Balance |
| Ambient temperature | 0oC - +50oC (32 – 122oF) |
| Ambient humidity | 35 – 65%RH (no condensation) |
| Ozone generation | Under 0.05ppm |
* Specification is subject to change without notice for the improvement of product performance
ADVANTAGES
Easy maintenance with auto cleaning function for emitter pin
- Auto tip cleaning function by one-touch button on controller.
- Auto tip cleaning function can be operated on a daily basis by setting menu.
- Remote control of auto pin cleaning function is available with PLC / RS485 communication.

Easy replacement with removable emitter pin
- 140mm Fan - 6.425m2/min
- Air volume can be adjusted up to 6.425 m2/min(per 1 fan) Auto-Balance
- Stable performance for long period in spite of pollution, wear and tear on emitter pin by using auto-balance circuit.
- Remote control is available with PLC / RS485 communication.
- Easy Maintenance & Cleaning.

PRODUCT PERFORMANCES
Air volume: Max 6.425m3/min, Capacity : 20pF, Frequency : 30Hz Charged plate dimensions : 150mm x 150mm, Measurement condition : 1kV → 0.1kV
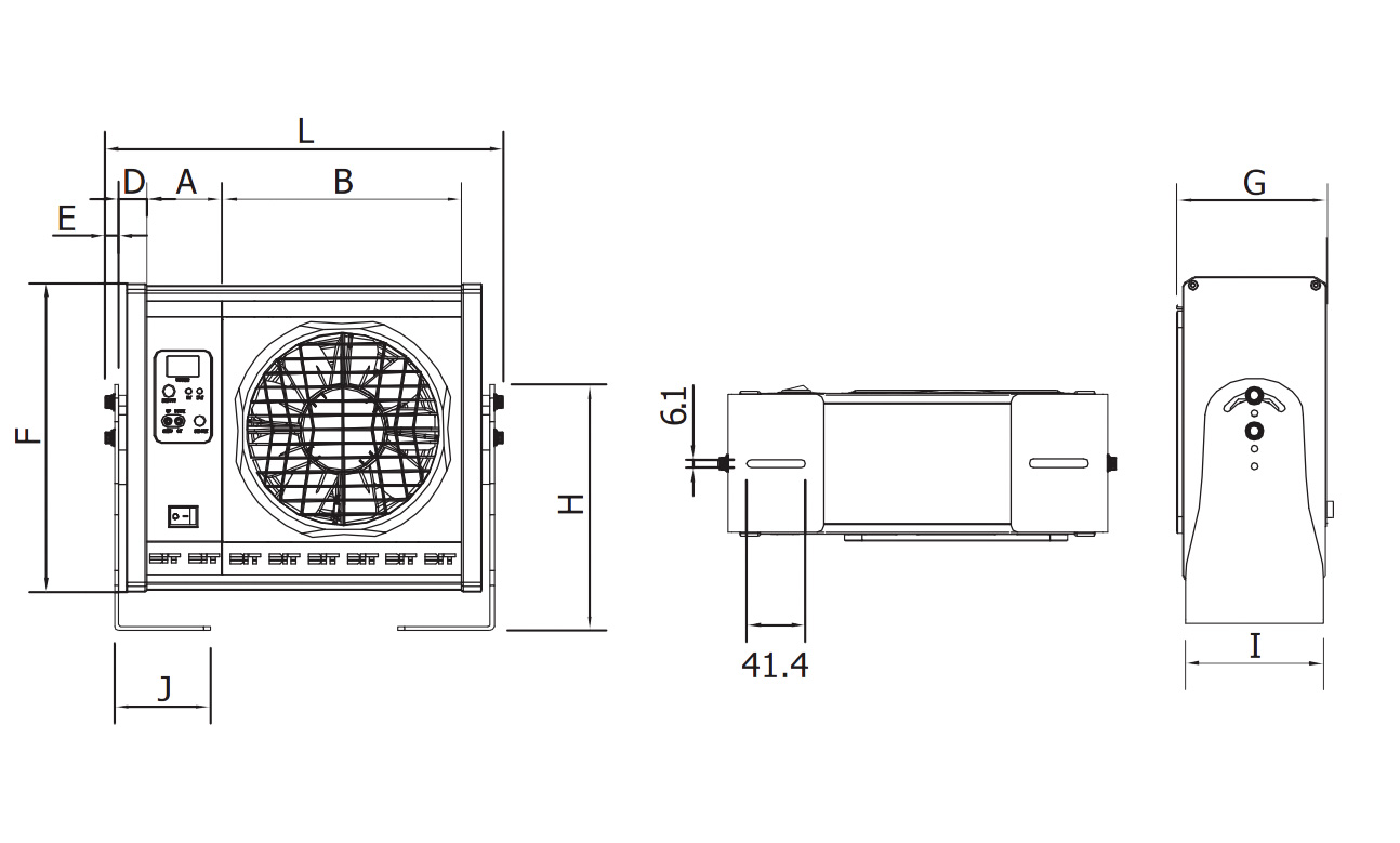
DIMENSIONS

| Category | Code | Length (mm) |
|---|---|---|
| Contoller | A | 54.6 |
| B | 170.0 | |
| C | 56.6 | |
| D | 18.6 | |
| E | 9.6 | |
| Height | F | 217.8 |
| Width | G | 106.1 |
| Category | Code | Length(mm) |
| Bracket Height | H | 173.6 |
| Bracket Width | I | 97.5 |
| Bracket Depth | J | 68.0 |
| Blower Lengh | L | 1 Fan 262 2 Fan 432 3 Fan 602 |
| Order code | Type | Place an order |
|---|---|---|
| AMF-AE1 | 1 Fan | {AMF-AE1} |
| AMF-AE2 | 2 Fan | {AMF-AE2} |
| AMF-AE3 | 3 Fan | {AMF-AE3} |

Magyar
English














































