SUPERFORM/A-LC
SUPERFORM-LC ALACSONY KÖLTSÉGŰ SZÉRIA
Gazdaságos, kézi működtetésű, kis sorozatú gyártáshoz tervezve. Nem használható motoros kialakításban, BR6 tekercs tartó csatlakoztatható hozzá
A SUPERFORM/A-LC axiális hevederezett alkatrészek vágásához és hajlításához készült gép, rendkívül tömör és szilárd. Fő jellemzője, hogy 1,4 mm-es vastagságig formálja az alkatrészek kivezetőit. Szélessége szabadon állítható, ami lehetővé teszi a gyors beállítást a különböző formákhoz.
![]() |
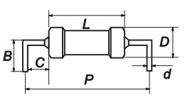
B | P | C | D | d | L | |||
| min | max | min | max | max | max | min | max | max | |
| 7915.200A standard modell | 4 | 13 | 6.5 | 60 | 1.2 | 16 | 0.4 | 1.3 | 50 |
| 7915.200D Megerősített hajlító kések | 5 | 13 | 10.5 | 60 | 2.4 | 16 | 0.6 | 1.4 | 50 |
| 7915.200F Csökkentett vágóhossz Csökkentett hajlítási hossz | 4 | 13 | 5 | 60 | 0.8 | 10 | 0.4 | 0.8 | 50 |
| 7915.200G az "F" + fix lépték | 4 | 13 | 5 | - | 0.5 | 4 | 0.4 | 0.6 | 3.5 |
| Rendelési kód | Típus | Ajánlatkérés |
|---|---|---|
| 7915.200A | standard modell | {7915.200A} |
| 7915.200D | Megerősített hajlító kések | {7915.200D} |
| 7915.200F | Csökkentett vágóhossz Csökkentett hajlítási hossz | {7915.200F} |
| 7915.200G | az "F" + fix lépték | {7915.200G} |

Magyar
English



















































