SUPERFORM/V
SUPERFORM/V is a machine made for cutting and bending axial taped components for vertical mounting.
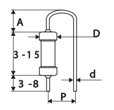
| Model | P | d | A | D | ||
| fix | min | max | min | max | max | |
| 7915.101 B standard model | 2.54 | 0.5 | 0.8 | 2 | 6 | 3 |
| 7915.101 C | 3.8 | 0.5 | 0.8 | 2.5 | 6 | 5 |
| 7915.101 D | 5.08 | 0.5 | 0.8 | 3 | 7 | 8 |
| 7915.101 E | 7.62 | 0.5 | 0.8 | 4 | 7 | 10 |
| 7915.091 A | 3.8 | 0.8 | 1.3 | 4 | 9 | 5 |
| 7915.091 B | 5.08 | 0.8 | 1.3 | 5 | 9 | 8 |
| 7915.091 C | 7.62 | 0.8 | 1.3 | 6 | 9 | 10 |
| Specifications | |
|---|---|
| Production rate | up to 40000 pcs/hr |

| Order code | Type | Place an order |
|---|---|---|
| 7915.030 | Motor Unit for SUPERFORM, 230V - 50/60Hz | {7915.030} |
| 7915.182 | Feeder CS30 for loose axial components | {7915.182} |
| 7915.185 | Tape Reel Holder arm BR6 | {7915.185} |

Magyar
English














































