SUPERFORM/V-LC
SUPERFORM-LC low-cost series
Economic, manual machines, designed for small productions. These machines can not be motorized, the "Tape reel holder" model BR6 (page 11 of the catalog) can be applied
SUPERFORM/V-LC is a machine made for cutting and bending axial taped components, it is extremely compact and sturdy and its main characteristic is to form components with rheophore up to 1.4 mm Its tracking wheels are adjustable independently to allow rapid setup at different forms.
![]() |
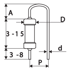
P | d | A | D | ||
| fix | min | max | min | max | max | |
| 7915.201 B standard model | 2.54 | 0.5 | 0.8 | 2 | 6 | 3 |
| 7915.201 C | 3.8 | 0.5 | 0.8 | 2.5 | 6 | 5 |
| 7915.201 D | 5.08 | 0.5 | 0.8 | 3 | 7 | 8 |
| 7915.201 E | 7.62 | 0.5 | 0.8 | 4 | 7 | 10 |
| 7915.209 A | 3.8 | 0.8 | 1.3 | 4 | 9 | 5 |
| 7915.209 B | 5.08 | 0.8 | 1.3 | 5 | 9 | 8 |
| 7915.209 C | 7.62 | 0.8 | 1.3 | 6 | 9 | 10 |
| Order code | Type | Place an order |
|---|---|---|
| 7915.201 B | standard model | {7915.201 B} |
| 7915.201 C | {7915.201 C} | |
| 7915.201 D | {7915.201 D} | |
| 7915.201 E | {7915.201 E} | |
| 7915.209 A | {7915.209 A} | |
| 7915.209 B | {7915.209 B} | |
| 7915.209 C | {7915.209 C} |

Magyar
English















































